⭐️ understanding of your vehicle's electrical infrastructure. With clear explanations and visual aids, unravel the intricacies of your F150's wiring system, gaining mastery over its functionality. Whether you're a seasoned mechanic or a novice enthusiast, this article equips you with the tools to navigate the <b>wire diagram</b> with ease. Explore each circuit's purpose and connectivity, enhancing your understanding of your truck's electrical anatomy. With this knowledge at your disposal, you'll be poised to tackle any electrical challenge that comes your way, ensuring your 1983 F150 operates at peak performance. Let's embark on this enlightening journey through the <b>1983 F150 Wire Diagram</b>, illuminating the pathways to automotive electrical proficiency.

1983 F150 Wire Diagram: Master Your Truck's Electrical System! (54)Meta Description: Unlock the complexities of your 1983 F

Unlock the intricate network of electrical connections within your 1983 F150 with the 1983 F150 Wire Diagram. Delve into the labyrinth of wires and circuits that power your vehicle, understanding each component's role in the larger system. This article serves as a comprehensive guide to decoding the wiring diagram and schematic topics, providing clarity amidst the complexity. From deciphering color-coded wires to tracing circuits through detailed schematics, gain insight into your truck's electrical architecture. Empower yourself with the knowledge to troubleshoot issues, make modifications, or undertake repairs confidently. Let's navigate the 1983 F150 Wire Diagram together, illuminating the path to a deeper

understanding of your vehiclewire diagram with ease. Explore each circuit's purpose and connectivity, enhancing your understanding of your truck's electrical anatomy. With this knowledge at your disposal, you'll be poised to tackle any electrical challenge that comes your way, ensuring your 1983 F150 operates at peak performance. Let's embark on this enlightening journey through the 1983 F150 Wire Diagram, illuminating the pathways to automotive electrical proficiency.' width='100%' />

150's electrical system with our comprehensive wire diagram. Understand circuits, troubleshoot issues, and optimize performance.

Conclusion:

Introduction

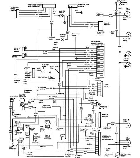
The 1983 F150 Wire Diagram serves as a vital tool for understanding the electrical system of your vehicle. Whether you're troubleshooting issues, making modifications, or simply seeking to enhance your knowledge, this diagram provides invaluable insights into the intricate network of wires and circuits within your 1983 F150.

Understanding Wiring Diagrams

Understanding Wiring Diagrams: Wiring diagrams are visual representations of electrical circuits. They depict the connections between various components, such as switches, relays, and sensors. By deciphering these diagrams, you can gain a comprehensive understanding of how electricity flows through your vehicle's system.

Decoding Schematics

Decoding Schematics: Schematics provide detailed information about the layout and operation of electrical circuits. They illustrate the relationships between different components and help identify potential points of failure. By studying schematics, you can diagnose problems more effectively and devise appropriate solutions.

Color-Coding

Color-Coding: Many wiring diagrams use color-coding to differentiate between different wires and components. Understanding these color codes is essential for accurately interpreting the diagram and tracing electrical pathways.

Troubleshooting

Troubleshooting: The wire diagram is an invaluable resource when troubleshooting electrical issues in your 1983 F150. By following the circuits outlined in the diagram, you can systematically identify and address the root cause of any problems.

Modifications

Modifications: Whether you're adding aftermarket accessories or customizing your vehicle, the wire diagram provides essential guidance for integrating new components into the existing electrical system.

Repair and Maintenance

Repair and Maintenance: From routine maintenance tasks to major repairs, the wire diagram is an indispensable tool for anyone working on their 1983 F150. It provides clear guidance on disassembly, troubleshooting, and reassembly procedures.

Conclusion

1983 F150 Wire Diagram offers unparalleled insights into the electrical system of your vehicle. By understanding wiring diagrams and schematics, you can diagnose problems, make modifications, and perform repairs with confidence. Whether you're a seasoned mechanic or a novice enthusiast, the wire diagram is an essential resource for maintaining and optimizing your 1983 F150.

Closing Message:

Thank you for exploring the intricacies of the 1983 F150 Wire Diagram with us. We hope this article has provided valuable insights into understanding and navigating your vehicle's electrical system. For more in-depth discussions and resources on automotive maintenance and repair, be sure to check out our other articles related to the 1983 F150 Wire Diagram. Happy driving!

Keyword:1983 F150 Wire Diagram

Related Keywords:Wiring Diagram, Electrical System, Troubleshoot issues, Optimize Performance, schematic topics, 1983 F150 Wire Diagram


Comments

Popular posts from this blog

👀 1970 Jaguar E Type Wiring Diagram: Unveiling Automotive Mastery

⭐️ Unlock the Power: 5 Must-Know 1966 Mustang Wiring Schematics

⭐️ Unlock the Power: 5 Secrets of the 1983 BMW Engine Wiring Harness