😃 1982 Columbia Golf Cart Wiring Diagram: Master Your Electrical System in 5 Steps

Unlock the secrets of your 1982 Columbia Golf Cart with our comprehensive wiring diagram guide. Understand every wire and circuit in just a few clicks.

Are you ready to dive into the intricate world of 1982 Columbia Golf Cart Wiring Diagrams? Wiring diagrams may seem mundane, but they hold the key to unlocking the mysteries of your golf cart's electrical system. Picture this: a labyrinth of lines and symbols guiding electricity through every nook and cranny of your vehicle. In this article, we'll dissect these diagrams with surgical precision, unraveling their secrets one wire at a time. From deciphering color codes to understanding circuit paths, we'll leave no connector unturned. Whether you're a seasoned mechanic or a weekend tinkerer, understanding your golf cart's wiring is paramount. So, grab your multimeter and let's embark on this electrifying journey together.

1982 Columbia Golf Cart Wiring Diagram: Master Your Electrical System in 5 Steps

Understanding Wiring Diagrams and Schematics

Understanding Wiring Diagrams

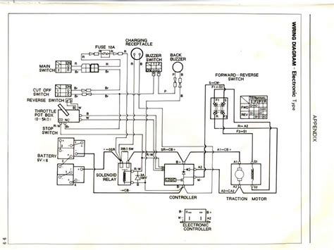
Wiring diagrams and schematics serve as blueprints for understanding the electrical systems of various vehicles, including golf carts. These diagrams depict the layout and connections of wires, components, and circuits, enabling technicians to diagnose and repair electrical issues efficiently.

The Importance of 1982 Columbia Golf Cart Wiring Diagrams

Importance of Wiring Diagrams

1982 Columbia Golf Cart Wiring Diagrams hold immense significance for owners and technicians alike. By providing a detailed map of the electrical system, these diagrams facilitate troubleshooting, maintenance, and modification of the vehicle's wiring.

Anatomy of a Wiring Diagram

Anatomy of a Wiring Diagram

A typical wiring diagram consists of symbols representing components such as batteries, switches, lights, and motors, along with lines indicating connections and pathways. Understanding these symbols and their meanings is crucial for interpreting the diagram accurately.

Deciphering Color Codes

Deciphering Color Codes

Color codes used in wiring diagrams provide valuable information about the function and purpose of each wire. By matching colors to their corresponding components, technicians can quickly identify and trace circuits, simplifying diagnosis and repairs.

Tracing Circuit Paths

Tracing Circuit Paths

Tracing circuit paths is a fundamental aspect of interpreting wiring diagrams. By following the lines representing electrical connections, technicians can understand how power flows through the system and pinpoint areas of potential malfunction.

Troubleshooting with Wiring Diagrams

Troubleshooting with Wiring Diagrams

When faced with electrical issues, troubleshooting using wiring diagrams is often the most efficient approach. By systematically analyzing the diagram and testing circuits, technicians can diagnose problems and implement effective solutions.

Modifications and Upgrades

Modifications and Upgrades

For enthusiasts seeking to enhance their golf cart's performance or add custom features, modifications and upgrades often require modifications to the electrical system. Wiring diagrams provide invaluable guidance for safely integrating new components and circuits.

Conclusion

Conclusion

In conclusion, 1982 Columbia Golf Cart Wiring Diagrams serve as essential tools for understanding, maintaining, and customizing these vehicles' electrical systems. By mastering the interpretation of wiring diagrams, owners and technicians can ensure optimal performance and reliability.

Conclusion:

Thank you for exploring the intricacies of 1982 Columbia Golf Cart Wiring Diagrams with us. We hope this article has provided you with valuable insights into the importance and utility of these diagrams in understanding and maintaining your golf cart's electrical system. Whether you're a seasoned technician or a novice enthusiast, mastering the interpretation of wiring diagrams is essential for ensuring the optimal performance and reliability of your vehicle.

1982 Columbia Golf Cart Wiring Diagrams serve as indispensable tools for troubleshooting issues, implementing modifications, and planning upgrades. By deciphering color codes, tracing circuit paths, and understanding the anatomy of wiring diagrams, you can navigate the complexities of your golf cart's electrical system with confidence. Remember, the key to successful maintenance and customization lies in harnessing the information provided by these diagrams. Stay informed, stay empowered, and continue to explore the fascinating world of automotive electrical systems.

Keyword:1982 Columbia Golf Cart Wiring Diagram

Related Keywords:Troubleshooting, Electrical System, Wiring Diagrams, Modifications, Columbia Golf


Comments

Popular posts from this blog

⭐️ Unlock the Power: 5 Must-Know 1966 Mustang Wiring Schematics

⭐️ Unlock the Power: 5 Secrets of the 1983 BMW Engine Wiring Harness

💎 Unlocking Automotive Mastery: 5 Steps to Master the 1979 Plymouth Wiring Diagram