⚡️ 1969 MGB Wiring Diagram: Master Your Classic Car's Electrical System

Unlock the secrets of your 1969 MGB's electrical system with our comprehensive wiring diagram. Learn how to navigate the intricate pathways powering your classic car's vital components.

Are you ready to dive into the intricate world of automotive wiring diagrams? Picture this: it's 1969, and you're behind the wheel of an MGB, a classic British sports car. But what happens when electrical issues arise? That's where the 1969 MGB Wiring Diagram becomes your trusty guide. This article delves into the wiring diagram and schematic topics, essential for understanding the electrical layout of your vintage vehicle. Exploring the intricacies of the wiring system, we'll uncover the pathways that power your car's vital components, from the ignition to the lights. So, fasten your seatbelt and join us as we unravel the mysteries of automotive electrical systems in this iconic model.

1969 MGB Wiring Diagram: Master Your Classic Car

Understanding Wiring Diagrams and Schematics

Understanding Wiring Diagrams

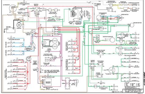
Wiring diagrams and schematics are essential tools for deciphering the electrical layout of complex systems, such as the 1969 MGB. They provide detailed illustrations of the connections between various components, offering insights into how electricity flows within the system. By understanding these diagrams, mechanics and enthusiasts alike can troubleshoot issues, perform repairs, and modify circuits with confidence.

Components and Symbols

Components and Symbols

Key to interpreting wiring diagrams are the components and symbols used to represent them. Each element, from resistors to switches, is depicted using standardized symbols that convey their function and connectivity. Familiarizing oneself with these symbols is crucial for accurately interpreting diagrams and diagnosing electrical issues.

Reading Circuit Paths

Reading Circuit Paths

The circuit paths depicted in wiring diagrams trace the flow of electricity throughout the system. Understanding how current travels from the power source through various components and back to ground enables technicians to identify potential points of failure and isolate faulty connections.

Color Codes and Wiring Identification

Color Codes and Wiring Identification

Color codes and wiring identification further aid in deciphering wiring diagrams. Different wire colors and markings indicate specific functions, such as power, ground, or signal. By referencing wiring diagrams alongside color-coded schematics, technicians can accurately trace circuits and ensure proper connections.

Tracing Circuits for Diagnosis

Tracing Circuits for Diagnosis

When troubleshooting electrical issues, technicians often rely on wiring diagrams to trace circuits and pinpoint faults. By systematically testing connections and components along a circuit's path, they can identify and rectify issues such as open circuits, short circuits, or faulty components.

Modifications and Upgrades

Modifications and Upgrades

Wiring diagrams also serve as invaluable resources for enthusiasts seeking to make modifications or upgrades to their vehicles' electrical systems. Whether installing aftermarket accessories or customizing circuits for performance enhancements, referencing accurate wiring diagrams ensures proper integration and functionality.

Documentation and Reference

Documentation and Reference

As vehicles age, access to accurate documentation becomes increasingly valuable. Wiring diagrams provide a detailed blueprint of the electrical system, serving as a reference for maintenance, repairs, and restoration projects. Preserving and consulting these diagrams ensures the longevity and reliability of vintage automobiles.

Conclusion

Conclusion

In conclusion, wiring diagrams and schematics are indispensable tools for understanding and maintaining the electrical systems of vehicles like the 1969 MGB. By deciphering circuit paths, interpreting symbols, and tracing connections, technicians and enthusiasts can diagnose issues, perform modifications, and ensure the continued functionality of these classic automobiles.

Conclusion:

Thank you for exploring our in-depth analysis of the 1969 MGB Wiring Diagram. We hope this comprehensive guide has provided you with valuable insights into the intricate world of automotive electrical systems. Understanding the wiring diagram and schematic topics surrounding classic vehicles like the 1969 MGB is crucial for enthusiasts and technicians alike. By deciphering circuit paths, interpreting symbols, and tracing connections, you can diagnose issues, perform modifications, and ensure the continued functionality of these timeless automobiles.

Whether you're restoring a vintage MGB to its former glory or simply seeking to understand the inner workings of your classic car, our series of articles on wiring diagrams and schematics will continue to serve as a valuable resource. Stay tuned for more informative content aimed at empowering enthusiasts and professionals with the knowledge they need to navigate the world of automotive electrical systems. Remember, when it comes to unraveling the mysteries of wiring diagrams, knowledge is power.

Keyword:1969 Mgb Wiring Diagram

Related Keywords:Wiring Diagram, Electrical Systems, schematic, Automotive, circuit paths, 1969 MGB


Comments

Popular posts from this blog

⭐️ Unlock the Power: 5 Must-Know 1966 Mustang Wiring Schematics

⭐️ Unlock the Power: 5 Secrets of the 1983 BMW Engine Wiring Harness

💎 Unlocking Automotive Mastery: 5 Steps to Master the 1979 Plymouth Wiring Diagram