👍 Streamline Your Restoration: 5 Steps to Simplify 1968 VW Beetle Wiring Diagrams

Discover how to simplify 1968 VW Beetle wiring diagrams in 5 easy steps. Navigate intricate circuitry effortlessly for smooth restoration.

Unlock the mysteries of your 1968 VW Beetle's electrical system with ease as we delve into the realm of wiring diagrams made accessible. In this comprehensive guide, we navigate the intricate pathways of your Beetle's electrical circuitry, shedding light on the schematic intricacies that often confound owners and enthusiasts alike. Delving beyond mere instruction, we dissect each element with precision, demystifying the complexities of electrical configurations. From deciphering color codes to unraveling connection points, this article equips you with the knowledge to tackle wiring tasks with confidence. Whether you're a seasoned mechanic or a novice enthusiast, embark on a journey to harness the power of understanding your 1968 VW Beetle's wiring diagram like never before.

Streamline Your Restoration: 5 Steps to Simplify 1968 VW Beetle Wiring Diagrams

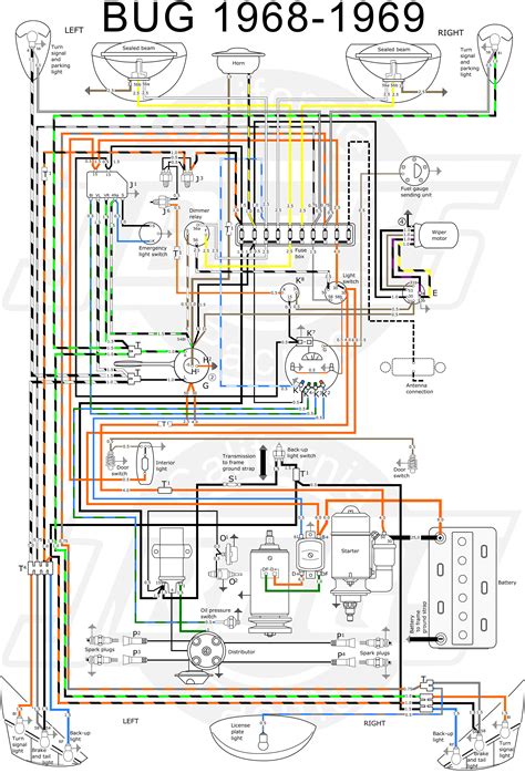
Wiring diagrams and schematics are crucial tools for understanding the electrical systems of vehicles like the 1968 VW Beetle. These diagrams provide a visual representation of the wiring layout and connections within the vehicle's electrical circuitry, aiding in troubleshooting, repairs, and modifications.

Understanding Wiring Diagrams

Understanding Wiring Diagram

Wiring diagrams are blueprints of a vehicle's electrical system, illustrating the arrangement of wires, connectors, and components. Each wire is represented by a line on the diagram, with specific symbols indicating switches, relays, and other electrical devices.

Interpreting Symbols

Interpreting Symbols

Understanding the symbols used in wiring diagrams is crucial. Symbols represent various electrical components, such as batteries, lights, and motors. Familiarizing yourself with these symbols will make it easier to decipher the diagram.

Tracing Circuits

Tracing Circuits

Tracing circuits involves following the path of a particular wire or circuit within the diagram. This process helps identify potential issues such as breaks, shorts, or faulty connections.

Identifying Components

Identifying Components

Wiring diagrams also assist in identifying specific components within the vehicle's electrical system. By referencing the diagram, you can locate components such as fuse boxes, switches, and sensors.

Color Coding

Color Coding

Many wiring diagrams utilize color coding to represent different wires and circuits. Understanding the color codes used in the diagram simplifies the identification and tracing of wires.

Reading Circuit Diagrams

Reading Circuit Diagrams

Circuit diagrams provide a detailed view of a specific electrical circuit within the vehicle. By studying these diagrams, you can gain insight into the operation of individual circuits and diagnose problems effectively.

Applying Troubleshooting Techniques

Applying Troubleshooting Techniques

With a solid understanding of wiring diagrams and schematics, you can apply various troubleshooting techniques to diagnose and resolve electrical issues in your 1968 VW Beetle. Whether it's a malfunctioning light or a faulty ignition system, the diagram serves as your roadmap to efficient repairs.

Conclusion

Conclusion

In conclusion, mastering the art of interpreting wiring diagrams and schematics is essential for any vehicle enthusiast or mechanic. By familiarizing yourself with these diagrams and understanding their components and symbols, you can confidently tackle electrical projects and troubleshoot issues with ease.

Conclusion:

Thank you for exploring our comprehensive guide on 1968 VW Beetle Wiring Diagrams Made Easy. We trust that the insights provided have empowered you to navigate the intricate electrical systems of your vintage Beetle with confidence and proficiency. By delving into the intricacies of wiring diagrams and schematics, you've embarked on a journey towards a deeper understanding of your vehicle's electrical framework.

As you continue your exploration of automotive electrical systems, remember that wiring diagrams serve as invaluable resources, offering clarity and guidance in the face of electrical challenges. Whether you're undertaking restoration projects or troubleshooting issues, the knowledge gleaned from our article equips you with the tools needed to tackle 1968 VW Beetle wiring diagrams with ease. Stay curious, stay informed, and may your automotive endeavors be filled with discovery and success.

Keyword:1968 Vw Beetle Wiring Diagram Made Easy

Related Keywords:Wiring Diagrams, Electrical Systems, Understanding Symbols, Troubleshooting Techniques, VW Beetle, schematics, Vintage Beetle.


Comments

Popular posts from this blog

⭐️ Unlock the Power: 5 Must-Know 1966 Mustang Wiring Schematics

⭐️ Unlock the Power: 5 Secrets of the 1983 BMW Engine Wiring Harness

💎 Unlocking Automotive Mastery: 5 Steps to Master the 1979 Plymouth Wiring Diagram