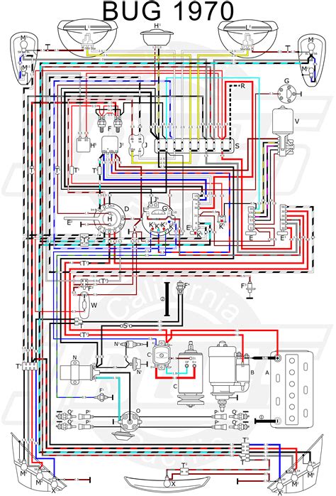
💎 1970 VW Wiring Diagram: Unveiling the Electrifying Blueprint

Discover the intricacies of 1970 VW wiring diagrams. Navigate the electrical blueprint of vintage Volkswagens for comprehensive insights.

In the intricate tapestry of automotive engineering, 1970 VW Wiring Diagram stands as a cornerstone, offering enthusiasts and mechanics alike a detailed roadmap through the labyrinth of electrical connections within vintage Volkswagen vehicles. From the humble Beetle to the iconic Campervan, these wiring diagrams are indispensable guides, revealing the intricate network of circuits that power these classic automobiles. Delving into the schematic depths of these diagrams unlocks a world of understanding, illuminating the paths of electrons as they dance through wires and components, igniting spark plugs and illuminating bulbs. With meticulous detail and precision, these diagrams breathe life into vintage Volkswagens, ensuring they continue to traverse highways and byways with the same vigor and reliability as they did decades ago. Let's embark on a journey through the wiring diagrams of 1970 VWs, decoding the secrets held within each line and connection.

1970 VW Wiring Diagram: Unveiling the Electrifying Blueprint

Introduction

Welcome to the intricate world of 1970 VW Wiring Diagrams. In this article, we'll delve into the fascinating realm of wiring diagrams and schematics, focusing on the specific electrical blueprints of vintage Volkswagen vehicles. Whether you're a seasoned mechanic, an automotive enthusiast, or simply curious about the inner workings of classic cars, these diagrams offer invaluable insights into the intricate electrical systems that power these iconic automobiles.

Understanding

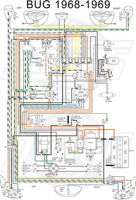
Before we embark on our journey through 1970 VW Wiring Diagrams, it's essential to understand the purpose and significance of these intricate blueprints. Wiring diagrams serve as visual representations of a vehicle's electrical system, outlining the connections between various components, wires, and circuits. They provide a roadmap for troubleshooting electrical issues, performing maintenance tasks, and understanding the overall architecture of the vehicle's wiring.

Components

At the heart of every 1970 VW Wiring Diagram lie a myriad of components, each playing a crucial role in the vehicle's electrical system. From ignition switches and relays to fuses and connectors, these diagrams meticulously detail every element within the wiring harness. Understanding the function and placement of these components is essential for deciphering the wiring diagram and troubleshooting electrical issues effectively.

Reading

Reading a 1970 VW Wiring Diagram may seem daunting at first glance, but with a bit of patience and practice, deciphering its intricacies becomes more manageable. Start by familiarizing yourself with the diagram's key symbols and conventions, such as wires, connectors, switches, and grounds. Pay close attention to the color codes and labels, as they provide vital clues about the function and connectivity of each wire and component.

Troubleshooting

One of the primary purposes of 1970 VW Wiring Diagrams is to aid in troubleshooting electrical issues. Whether you're dealing with a malfunctioning light, a faulty ignition system, or a mysterious short circuit, these diagrams serve as invaluable tools for diagnosing and resolving problems. By tracing the path of electrical current through the diagram, you can pinpoint the source of the issue and take appropriate corrective action.

Restoration

For enthusiasts engaged in the restoration of vintage Volkswagen vehicles, 1970 VW Wiring Diagrams are indispensable resources. Whether you're restoring a classic Beetle, a beloved Campervan, or any other iconic VW model, these diagrams provide invaluable guidance for rewiring the vehicle to its original specifications. By following the wiring diagram meticulously, you can ensure that every electrical connection is restored to factory standards, preserving the authenticity and integrity of the vehicle.

Modifications

While 1970 VW Wiring Diagrams offer a blueprint for restoring vehicles to their original condition, they also provide flexibility for enthusiasts looking to make modifications and upgrades. Whether you're installing aftermarket accessories, upgrading to a modern ignition system, or adding custom lighting features, these diagrams serve as a foundation for integrating new components into the existing electrical system.

Conclusion

In conclusion, 1970 VW Wiring Diagrams are indispensable tools for enthusiasts, mechanics, and restorers alike. From deciphering electrical issues to restoring vintage vehicles to their former glory, these diagrams offer a wealth of information and guidance. Whether you're a seasoned expert or a novice enthusiast, exploring the intricacies of wiring diagrams can deepen your understanding of automotive electrical systems and enhance your appreciation for classic Volkswagen vehicles.

Conclusion:

As we conclude our exploration of 1970 VW Wiring Diagrams, we hope you've gained valuable insights into the intricate world of automotive electrical systems. Remember, these diagrams serve as essential tools for understanding, troubleshooting, and restoring vintage Volkswagen vehicles. Whether you're a seasoned mechanic or an enthusiastic hobbyist, 1970 VW Wiring Diagrams offer a wealth of information that can enhance your automotive knowledge and skills.

As you continue your journey with classic VWs, don't hesitate to refer back to these diagrams whenever you encounter electrical issues or embark on restoration projects. With patience and perseverance, deciphering 1970 VW Wiring Diagrams can become second nature, empowering you to maintain and preserve these iconic vehicles for generations to come. Thank you for joining us on this exploration, and we wish you many fulfilling adventures with your vintage Volkswagen!

Keyword:1970 Vw Wiring Diagram

Related Keywords:Restoration, Electrical Systems, Vintage Vehicles, VW Wiring, Diagrams


Comments

Popular posts from this blog

⭐️ Unlock the Power: 5 Must-Know 1966 Mustang Wiring Schematics

⭐️ Unlock the Power: 5 Secrets of the 1983 BMW Engine Wiring Harness

💎 Unlocking Automotive Mastery: 5 Steps to Master the 1979 Plymouth Wiring Diagram